RXF108減速電機詳細信息
RXF108減速電機
RXF108減速電機功率計算公式:齒輪減速馬達
電動無軌小火車參數:輥輪直徑215,拖動20噸,一分鐘行駛22米
22米÷(0.215輥輪直徑X3.14)=32.59轉每分鐘
20噸換算成N=200000N
200000×0.1075輥輪半徑×0.3橡膠輪水泥路的摩擦系數=6450N.m
通常確保萬無一失,我們會把輸出扭矩放大兩倍6450×2=12900N.m
電機轉數1400÷輸出轉數32.59=42.96比
12900N.m輸出扭矩÷42.96比=300.27N.m電機扭矩
300.27N.m電機扭矩換算成功率55KW以上
對應的RXF108減速機型號參數:
型號:RXF108-BVPEJ45KW
減速比:42.96
輸出轉數:32.59轉每分鐘
輸出扭矩:2700N.m
安全系數:1.30
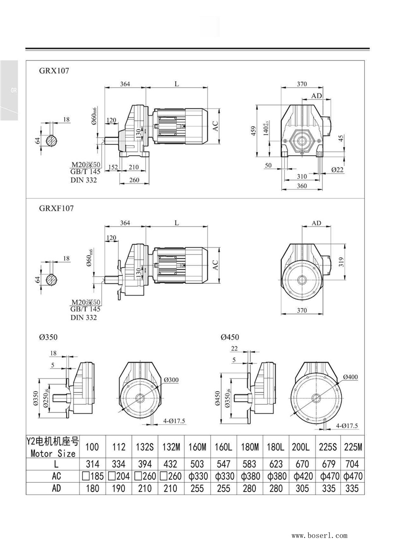
RXF108減速機基座尺寸:輸出軸Φ20+鍵2.5(可定做),高134*寬135*長174(帶輸出軸)三相齒輪減速機

RXF108立式斜齒輪硬齒面減速機型號:

RXF108減速電機型號參數:同軸斜齒輪減速電機
RXF108減速機配2.2KW電機參數
| 型號 | 速比 | 功率 | 重量 | 沖擊力 |
| RXF108-Y2.2KW | 251.15 | 2.2kw | 180kg | 32100N |
| RXF108-Y2.2KW | 229.95 | 2.2kw | 180kg | 33400N |
| RXF108-Y2.2KW | 203.16 | 2.2kw | 180kg | 34800N |
| RXF108-Y2.2KW | 172.34 | 2.2kw | 180kg | 36000N |
| RXF108-Y2.2KW | 158.68 | 2.2kw | 180kg | 36300N |
| RXF108-Y2.2KW | 141.83 | 2.2kw | 180kg | 36600N |
| RXF108-Y2.2KW | 127.68 | 2.2kw | 180kg | 36900N |
| RXF108-Y2.2KW | 115.63 | 2.2kw | 180kg | 37000N |
| RXF108-Y2.2KW | 102.53 | 2.2kw | 180kg | 37200N |
| RXF108-Y2.2KW | 92.7 | 2.2kw | 180kg | 37300N |
RXF108減速機配3KW電機參數
| 型號 | 速比 | 功率 | 重量 | 沖擊力 |
| RXF108-Y3KW | 229.95 | 3kw | 185kg | 26500N |
| RXF108-Y3KW | 203.16 | 3kw | 185kg | 30200N |
| RXF108-Y3KW | 172.34 | 3kw | 185kg | 33100N |
| RXF108-Y3KW | 158.68 | 3kw | 185kg | 34100N |
| RXF108-Y3KW | 141.83 | 3kw | 185kg | 35200N |
| RXF108-Y3KW | 127.68 | 3kw | 185kg | 36000N |
| RXF108-Y3KW | 115.63 | 3kw | 185kg | 36300N |
| RXF108-Y3KW | 102.53 | 3kw | 185kg | 36700N |
| RXF108-Y3KW | 92.7 | 3kw | 185kg | 36900N |
| RXF108-Y3KW | 78.57 | 3kw | 185kg | 35900N |
| RXF108-Y3KW | 72.88 | 3kw | 185kg | 35200N |
RXF108減速機配4KW電機參數
| 型號 | 速比 | 功率 | 重量 | 沖擊力 |
| RXF108-Y4KW | 172.34 | 4kw | 195kg | 27800N |
| RXF108-Y4KW | 158.68 | 4kw | 195kg | 29900N |
| RXF108-Y4KW | 141.83 | 4kw | 195kg | 32000N |
| RXF108-Y4KW | 127.68 | 4kw | 195kg | 33600N |
| RXF108-Y4KW | 115.63 | 4kw | 195kg | 34700N |
| RXF108-Y4KW | 102.53 | 4kw | 195kg | 35800N |
| RXF108-Y4KW | 92.7 | 4kw | 195kg | 36200N |
| RXF108-Y4KW | 78.57 | 4kw | 195kg | 34800N |
| RXF108-Y4KW | 72.88 | 4kw | 195kg | 34100N |
| RXF108-Y4KW | 65.6 | 4kw | 195kg | 33100N |
| RXF108-Y4KW | 59.41 | 4kw | 195kg | 32200N |
| RXF108-Y4KW | 52.68 | 4kw | 195kg | 31200N |
RXF108減速機配5.5KW電機參數
| 型號 | 速比 | 功率 | 重量 | 沖擊力 |
| RXF108-Y5.5KW | 127.68 | 5.5kw | 200kg | 27500N |
| RXF108-Y5.5KW | 115.63 | 5.5kw | 200kg | 30000N |
| RXF108-Y5.5KW | 102.53 | 5.5kw | 200kg | 32200N |
| RXF108-Y5.5KW | 92.7 | 5.5kw | 200kg | 33700N |
| RXF108-Y5.5KW | 78.57 | 5.5kw | 200kg | 33400N |
| RXF108-Y5.5KW | 72.88 | 5.5kw | 200kg | 32800N |
| RXF108-Y5.5KW | 65.6 | 5.5kw | 200kg | 32000N |
| RXF108-Y5.5KW | 59.41 | 5.5kw | 200kg | 31200N |
| RXF108-Y5.5KW | 52.68 | 5.5kw | 200kg | 30200N |
| RXF108-Y5.5KW | 47.63 | 5.5kw | 200kg | 29400N |
| RXF108-Y5.5KW | 40.37 | 5.5kw | 200kg | 28200N |
RXF108減速機配7.5KW電機參數
| 型號 | 速比 | 功率 | 重量 | 沖擊力 |
| RXF108-Y7.5KW | 92.7 | 7.5kw | 215kg | 27800N |
| RXF108-Y7.5KW | 78.57 | 7.5kw | 215kg | 31500N |
| RXF108-Y7.5KW | 72.88 | 7.5kw | 215kg | 31200N |
| RXF108-Y7.5KW | 65.6 | 7.5kw | 215kg | 30600N |
| RXF108-Y7.5KW | 59.41 | 7.5kw | 215kg | 29900N |
| RXF108-Y7.5KW | 52.68 | 7.5kw | 215kg | 29100N |
| RXF108-Y7.5KW | 47.63 | 7.5kw | 215kg | 28400N |
| RXF108-Y7.5KW | 40.37 | 7.5kw | 215kg | 27300N |
| RXF108-Y7.5KW | 35.26 | 7.5kw | 215kg | 26300N |
| RXF108-Y7.5KW | 29.44 | 7.5kw | 215kg | 25100N |
| RXF108-Y7.5KW | 30.77 | 7.5kw | 215kg | 25400N |
| RXF108-Y7.5KW | 27.58 | 7.5kw | 215kg | 24700N |
| RXF108-Y7.5KW | 24.9 | 7.5kw | 215kg | 24000N |
| RXF108-Y7.5KW | 22.62 | 7.5kw | 215kg | 23400N |
RXF108減速機配11KW電機參數
| 型號 | 速比 | 功率 | 重量 | 沖擊力 |
| RXF108-Y11KW | 65.6 | 11kw | 235kg | 26000N |
| RXF108-Y11KW | 59.41 | 11kw | 235kg | 27600N |
| RXF108-Y11KW | 52.68 | 11kw | 235kg | 27000N |
| RXF108-Y11KW | 47.63 | 11kw | 235kg | 26500N |
| RXF108-Y11KW | 40.37 | 11kw | 235kg | 25700N |
| RXF108-Y11KW | 35.26 | 11kw | 235kg | 24900N |
| RXF108-Y11KW | 29.44 | 11kw | 235kg | 23900N |
| RXF108-Y11KW | 30.77 | 11kw | 235kg | 24200N |
| RXF108-Y11KW | 27.58 | 11kw | 235kg | 23600N |
| RXF108-Y11KW | 24.9 | 11kw | 235kg | 23000N |
| RXF108-Y11KW | 22.62 | 11kw | 235kg | 22400N |
| RXF108-Y11KW | 20.07 | 11kw | 235kg | 21700N |
| RXF108-Y11KW | 18.21 | 11kw | 235kg | 21200N |
RXF108減速機配15KW電機參數
| 型號 | 速比 | 功率 | 重量 | 沖擊力 |
| RXF108-Y15KW | 47.63 | 15kw | 270kg | 24500N |
| RXF108-Y15KW | 40.37 | 15kw | 270kg | 23900N |
| RXF108-Y15KW | 35.26 | 15kw | 270kg | 23400N |
| RXF108-Y15KW | 29.49 | 15kw | 270kg | 22600N |
| RXF108-Y15KW | 30.77 | 15kw | 270kg | 22800N |
| RXF108-Y15KW | 27.58 | 15kw | 270kg | 22300N |
| RXF108-Y15KW | 24.9 | 15kw | 270kg | 21900N |
| RXF108-Y15KW | 22.62 | 15kw | 270kg | 21400N |
| RXF108-Y15KW | 20.07 | 15kw | 270kg | 20900N |
| RXF108-Y15KW | 18.21 | 15kw | 270kg | 20400N |
| RXF108-Y15KW | 15.65 | 15kw | 270kg | 19700N |
| RXF108-Y15KW | 13.66 | 15kw | 270kg | 19000N |
RXF108減速機配18.5KW電機參數
| 型號 | 速比 | 功率 | 重量 | 沖擊力 |
| RXF108-Y18.5KW | 40.37 | 18.5kw | 285kg | 19400N |
| RXF108-Y18.5KW | 35.26 | 18.5kw | 285kg | 22100N |
| RXF108-Y18.5KW | 29.49 | 18.5kw | 285kg | 21500N |
| RXF108-Y18.5KW | 24.9 | 18.5kw | 285kg | 20900N |
| RXF108-Y18.5KW | 22.62 | 18.5kw | 285kg | 20600N |
| RXF108-Y18.5KW | 20.07 | 18.5kw | 285kg | 20100N |
| RXF108-Y18.5KW | 18.21 | 18.5kw | 285kg | 19700N |
| RXF108-Y18.5KW | 15.65 | 18.5kw | 285kg | 19100N |
| RXF108-Y18.5KW | 13.66 | 18.5kw | 285kg | 18500N |
| RXF108-Y18.5KW | 11.59 | 18.5kw | 285kg | 17800N |
| RXF108-Y18.5KW | 10.13 | 18.5kw | 285kg | 17200N |
| RXF108-Y18.5KW | 7.86 | 18.5kw | 285kg | 16300N |
| RXF108-Y18.5KW | 6.66 | 18.5kw | 285kg | 15600N |
RXF108減速機配22KW電機參數
| 型號 | 速比 | 功率 | 重量 | 沖擊力 |
| RXF108-Y22KW | 35.26 | 22kw | 305kg | 4470N |
| RXF108-Y22KW | 29.49 | 22kw | 305kg | 20400N |
| RXF108-Y22KW | 24.9 | 22kw | 305kg | 20000N |
| RXF108-Y22KW | 22.62 | 22kw | 305kg | 19700N |
| RXF108-Y22KW | 20.07 | 22kw | 305kg | 19400N |
| RXF108-Y22KW | 18.21 | 22kw | 305kg | 19000N |
| RXF108-Y22KW | 15.65 | 22kw | 305kg | 18500N |
| RXF108-Y22KW | 13.66 | 22kw | 305kg | 18000N |
| RXF108-Y22KW | 11.59 | 22kw | 305kg | 17300N |
| RXF108-Y22KW | 10.13 | 22kw | 305kg | 16800N |
| RXF108-Y22KW | 8.56 | 22kw | 305kg | 16100N |
| RXF108-Y22KW | 7.86 | 22kw | 305kg | 16100N |
| RXF108-Y22KW | 6.66 | 22kw | 305kg | 15400N |
| RXF108-Y22KW | 5.82 | 22kw | 305kg | 14800N |
RXF108減速機配30KW電機參數
| 型號 | 速比 | 功率 | 重量 | 沖擊力 |
| RXF108-Y30KW | 20.07 | 30kw | 400kg | 17600N |
| RXF108-Y30KW | 18.21 | 30kw | 400kg | 17400N |
| RXF108-Y30KW | 15.65 | 30kw | 400kg | 17100N |
| RXF108-Y30KW | 13.66 | 30kw | 400kg | 16800N |
| RXF108-Y30KW | 11.59 | 30kw | 400kg | 16300N |
| RXF108-Y30KW | 10.13 | 30kw | 400kg | 15900N |
| RXF108-Y30KW | 8.56 | 30kw | 400kg | 15400N |
| RXF108-Y30KW | 7.86 | 30kw | 400kg | 15500N |
| RXF108-Y30KW | 6.66 | 30kw | 400kg | 14900N |
| RXF108-Y30KW | 5.82 | 30kw | 400kg | 14400N |
| RXF108-Y30KW | 4.92 | 30kw | 400kg | 13700N |
RXF108減速機配37KW電機參數
| 型號 | 速比 | 功率 | 重量 | 沖擊力 |
| RXF108-Y37KW | 15.65 | 37kw | 450kg | 14600N |
| RXF108-Y37KW | 13.66 | 37kw | 450kg | 14600N |
| RXF108-Y37KW | 11.59 | 37kw | 450kg | 14400N |
| RXF108-Y37KW | 10.13 | 37kw | 450kg | 14300N |
| RXF108-Y37KW | 8.56 | 37kw | 450kg | 14000N |
| RXF108-Y37KW | 7.86 | 37kw | 450kg | 14400N |
| RXF108-Y37KW | 6.66 | 37kw | 450kg | 13900N |
| RXF108-Y37KW | 5.82 | 37kw | 450kg | 13600N |
| RXF108-Y37KW | 4.92 | 37kw | 450kg | 13000N |
RXF108減速機配45KW電機參數
| 型號 | 速比 | 功率 | 重量 | 沖擊力 |
| RXF108-Y45KW | 15.65 | 45kw | 450kg | 14600N |
| RXF108-Y45KW | 13.66 | 45kw | 450kg | 14600N |
| RXF108-Y45KW | 11.59 | 45kw | 450kg | 14400N |
| RXF108-Y45KW | 10.13 | 45kw | 450kg | 14300N |
| RXF108-Y45KW | 8.56 | 45kw | 450kg | 14000N |
| RXF108-Y45KW | 7.86 | 45kw | 450kg | 14400N |
| RXF108-Y45KW | 6.66 | 45kw | 450kg | 13900N |
| RXF108-Y45KW | 5.82 | 45kw | 450kg | 13600N |
| RXF108-Y45KW | 4.92 | 45kw | 450kg | 13000N |
RXF108減速電機生產工廠展示:看廠請聯系微信13827261050,獲取位置,需提前一天預約
推薦類似型號:R108減速機
關鍵詞:GRXF向減速電機一體式_硬齒面減速機配電機_RXF系列減速器_RXF系列減速機_GRXF系列減速機_齒輪減速器_硬齒面齒輪減速機_三相齒輪減速電機_RXF型減速機_三相齒輪減速機
RXF系列齒輪減速馬達型號:RXF58減速機,RXF68減速機,RXF78減速機,RXF88減速機,RXF98減速機,RXF108減速機
RXF系列同軸斜齒輪減速機可配變頻電機,剎車電機,防爆電機,伺服電機,交流電機,直流電機,三相電機,單相電機 0.12KW-45KW之間
如需工程師幫選型,請加微信13827261050,留言告知工程師參數要求
標簽:   RXF108減速電機 RXF107立式斜齒輪硬齒面減速機 RXF107減速機功率 RXF107減速機基座尺寸 RXF107減速機模型 RXF107減速機型號參數
