R148減速機詳細信息
R148減速機
R148減速機傳動比計算:齒輪減速馬達
輸送帶參數:輪子直徑350,負載30噸,一分鐘走11米
11米÷(0.35輪子直徑×3.14)=10轉每分鐘
30噸換算成N=300000N
300000×0.175輪子半徑×0.06摩擦系數=3150N.m
通常確保萬無一失,我們會把輸出扭矩放大兩倍3150×2=6300N.m
電機轉數1400÷輸出轉數10=140比
6300N.m輸出扭矩÷140比=45N.m電機扭矩
45N.m電機扭矩換算成功率7.14KW以上
對應的R148減速機選型參數:
型號:R148-B11KW
減速比:146.91
輸出轉數:10轉每分鐘
輸出扭矩:10400N.m
安全系數:1.25
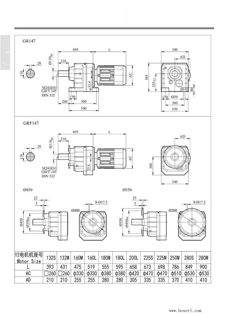
R148減速機平面圖紙:輸出軸Φ20+鍵2.5(可定做),高134*寬135*長174(帶輸出軸)R系列減速機

R148臥式硬齒面斜齒輪減速機型號:
R147FDM132L4,R147FDM132M4,R147FDM132MC4,R147FDM132ML4,R147FDM132S4,R147FDM160L4,R147FDM160M4,R147FDM160MC4,R147FDM160S4,R147FDM180L4,R147FDM180LC4,R147FDM180M4,R147FDM180S4,R147FDM200L4,R147FDM225M4,R147FDM225S4,R147FDM250M4,R147FDM280M4,R147FDM280S4,R147FDR132L4,R147FDR132M4,R147FDR132MC4,R147FDR132ML4,R147FDR132S4,R147FDR160L4,R147FDR160M4,R147FDR160MC4,R147FDR160S4,R147FDR180L4,R147FDR180LC4,R147FDR180M4,R147FDR180S4,R147FDR200L4,R147FDR225M4,R147FDR225S4,R147FDR250M4,R147FDR280M4,R147FDR280S4,R147FDRE132L4,R147FDRE132M4,R147FDRE132MC4,R147FDRE132ML4,R147FDRE132S4,R147FDRE160L4,R147FDRE160M4,R147FDRE160MC4,R147FDRE160S4,R147FDRE180L4,R147FDRE180LC4,R147FDRE180M4,R147FDRE180S4,R147FDRE200L4,R147FDRE225M4,R147FDRE225S4,R147FDRE250M4,R147FDRE280M4,R147FDRE280S4,R147FDRN132L4,R147FDRN132M4,R147FDRN132MC4,R147FDRN132ML4,R147FDRN132S4,R147FDRN160L4,R147FDRN160M4,R147FDRN160MC4,R147FDRN160S4,R147FDRN180L4,R147FDRN180LC4,R147FDRN180M4,R147FDRN180S4,R147FDRN200L4,R147FDRN225M4,R147FDRN225S4,R147FDRN250M4,R147FDRN280M4,R147FDRN280S4,R147FDRS132L4,R147FDRS132M4,R147FDRS132MC4,R147FDRS132ML4,R147FDRS132S4,R147FDRS160L4,R147FDRS160M4,R147FDRS160MC4,R147FDRS160S4,R147FDRS180L4,R147FDRS180LC4,R147FDRS180M4,R147FDRS180S4,R147FDRS200L4,R147FDRS225M4,R147FDRS225S4,R147FDRS250M4,R147FDRS280M4,R147FDRS280S4,R147FDT132L4,R147FDT132M4,R147FDT132MC4,R147FDT132ML4,R147FDT132S4,R147FDT160L4,R147FDT160M4,R147FDT160MC4,R147FDT160S4,R147FDT180L4,R147FDT180LC4,R147FDT180M4,R147FDT180S4,R147FDT200L4,R147FDT225M4,R147FDT225S4,R147FDT250M4,R147FDT280M4,R147FDT280S4,R147FDV132L4,R147FDV132M4,R147FDV132MC4,R147FDV132ML4,R147FDV132S4,R147FDV160L4,R147FDV160M4,R147FDV160MC4,R147FDV160S4,R147FDV180L4,R147FDV180LC4,R147FDV180M4,R147FDV180S4,R147FDV200L4,R147FDV225M4,R147FDV225S4,R147FDV250M4,R147FDV280M4,R147FDV280S4,R147FDVE132L4,R147FDVE132M4,R147FDVE132MC4,R147FDVE132ML4,R147FDVE132S4,R147FDVE160L4,R147FDVE160M4,R147FDVE160MC4,R147FDVE160S4,R147FDVE180L4,R147FDVE180LC4,R147FDVE180M4,R147FDVE180S4,R147FDVE200L4,R147FDVE225M4,R147FDVE225S4,R147FDVE250M4,R147FDVE280M4,R147FDVE280S4,R147F-Y11KW,R147F-Y132M4,R147F-Y15KW,R147F-Y160M4,R147F-Y18.5KW,R147F-Y180M4,R147F-Y200M4,R147F-Y225M4,R147F-Y22KW,R147F-Y250M4,R147F-Y280M4,R147F-Y30KW,R147F-Y37KW,R147F-Y45KW,R147F-Y55KW,R147F-Y75KW,R147F-Y90KW,R147F-YEJ11KW,R147F-YEJ132M4,R147F-YEJ15KW,R147F-YEJ160M4,R147F-YEJ18.5KW,R147F-YEJ180M4,R147F-YEJ200M4,R147F-YEJ225M4,R147F-YEJ22KW,R147F-YEJ250M4,R147F-YEJ280M4,R147F-YEJ30KW,R147F-YEJ37KW,R147F-YEJ45KW,R147F-YEJ55KW,R147F-YEJ75KW,R147F-YEJ90KW,R147F-YVP11KW,R147F-YVP132M4,R147F-YVP15KW,R147F-YVP160M4,R147F-YVP18.5KW,R147F-YVP180M4,R147F-YVP200M4,R147F-YVP225M4,R147F-YVP22KW,R147F-YVP250M4,R147F-YVP280M4,R147F-YVP30KW,R147F-YVP37KW,R147F-YVP45KW,R147F-YVP55KW,R147F-YVP75KW,R147F-YVP90KW,R147F-YVPEJ11KW,R147F-YVPEJ132M4,R147F-YVPEJ15KW,R147F-YVPEJ160M4,R147F-YVPEJ18.5KW,R147F-YVPEJ180M4,R147F-YVPEJ200M4,R147F-YVPEJ225M4,R147F-YVPEJ22KW,R147F-YVPEJ250M4,R147F-YVPEJ280M4,R147F-YVPEJ30KW,R147F-YVPEJ37KW,R147F-YVPEJ45KW,R147F-YVPEJ55KW,R147F-YVPEJ75KW,R147F-YVPEJ90KW。

R147系列減速機參數大全:同軸斜齒輪減速電機
R147F減速機配11KW電機參數
| 型號 | 減速比 | 功率 | 重量 | 力矩 |
| R147F-Y11KW | 163.31 | 11kw | 450kg | 65000N |
| R147F-Y11KW | 146.91 | 11kw | 450kg | 66900N |
| R147F-Y11KW | 119.86 | 11kw | 450kg | 69600N |
| R147F-Y11KW | 109.31 | 11kw | 450kg | 70500N |
| R147F-Y11KW | 94.6 | 11kw | 450kg | 71500N |
| R147F-Y11KW | 83.47 | 11kw | 450kg | 72200N |
| R147F-Y11KW | 72.09 | 11kw | 450kg | 72800N |
| R147F-Y11KW | 66.99 | 11kw | 450kg | 73100N |
| R147F-Y11KW | 61.09 | 11kw | 450kg | 73300N |
| R147F-Y11KW | 52.87 | 11kw | 450kg | 73600N |
R147F減速機配15KW電機參數
| 型號 | 減速比 | 功率 | 重量 | 力矩 |
| R147F-Y15KW | 163.31 | 15kw | 480kg | 36200N |
| R147F-Y15KW | 146.91 | 15kw | 480kg | 57400N |
| R147F-Y15KW | 119.86 | 15kw | 480kg | 65000N |
| R147F-Y15KW | 109.31 | 15kw | 480kg | 66700N |
| R147F-Y15KW | 94.6 | 15kw | 480kg | 68800N |
| R147F-Y15KW | 83.47 | 15kw | 480kg | 70100N |
| R147F-Y15KW | 72.09 | 15kw | 480kg | 71300N |
| R147F-Y15KW | 66.99 | 15kw | 480kg | 71700N |
| R147F-Y15KW | 61.09 | 15kw | 480kg | 72200N |
| R147F-Y15KW | 52.87 | 15kw | 480kg | 72800N |
| R147F-Y15KW | 46.65 | 15kw | 480kg | 73200N |
R147F減速機配18.5KW電機參數
| 型號 | 減速比 | 功率 | 重量 | 力矩 |
| R147F-Y18.5KW | 119.86 | 18.5kw | 500kg | 56400N |
| R147F-Y18.5KW | 109.31 | 18.5kw | 500kg | 62200N |
| R147F-Y18.5KW | 94.6 | 18.5kw | 500kg | 65500N |
| R147F-Y18.5KW | 83.47 | 18.5kw | 500kg | 67600N |
| R147F-Y18.5KW | 72.09 | 18.5kw | 500kg | 69500N |
| R147F-Y18.5KW | 66.99 | 18.5kw | 500kg | 70200N |
| R147F-Y18.5KW | 61.09 | 18.5kw | 500kg | 71000N |
| R147F-Y18.5KW | 52.87 | 18.5kw | 500kg | 71900N |
| R147F-Y18.5KW | 46.65 | 18.5kw | 500kg | 72500N |
| R147F-Y18.5KW | 40.29 | 18.5kw | 500kg | 73000N |
R147F減速機配22KW電機參數
| 型號 | 減速比 | 功率 | 重量 | 力矩 |
| R147F-Y22KW | 109.31 | 22kw | 520kg | 40600N |
| R147F-Y22KW | 94.6 | 22kw | 520kg | 61400N |
| R147F-Y22KW | 83.47 | 22kw | 520kg | 64500N |
| R147F-Y22KW | 72.09 | 22kw | 520kg | 67200N |
| R147F-Y22KW | 66.99 | 22kw | 520kg | 68300N |
| R147F-Y22KW | 61.09 | 22kw | 520kg | 69400N |
| R147F-Y22KW | 52.87 | 22kw | 520kg | 70700N |
| R147F-Y22KW | 46.65 | 22kw | 520kg | 71600N |
| R147F-Y22KW | 40.29 | 22kw | 520kg | 72400N |
| R147F-Y22KW | 35.64 | 22kw | 520kg | 72900N |
| R147F-Y22KW | 29.95 | 22kw | 520kg | 73400N |
R147F減速機配30KW電機參數
| 型號 | 減速比 | 功率 | 重量 | 力矩 |
| R147F-Y30KW | 83.47 | 30kw | 620kg | 33300N |
| R147F-Y30KW | 72.09 | 30kw | 620kg | 60500N |
| R147F-Y30KW | 66.99 | 30kw | 620kg | 62600N |
| R147F-Y30KW | 61.09 | 30kw | 620kg | 64800N |
| R147F-Y30KW | 52.87 | 30kw | 620kg | 67400N |
| R147F-Y30KW | 46.65 | 30kw | 620kg | 69100N |
| R147F-Y30KW | 40.29 | 30kw | 620kg | 70500N |
| R147F-Y30KW | 35.64 | 30kw | 620kg | 71400N |
| R147F-Y30KW | 29.95 | 30kw | 620kg | 72400N |
| R147F-Y30KW | 24.19 | 30kw | 620kg | 73100N |
| R147F-Y30KW | 20.44 | 30kw | 620kg | 73600N |
| R147F-Y30KW | 18.04 | 30kw | 620kg | 73800N |
| R147F-Y30KW | 15.64 | 30kw | 620kg | 74000N |
R147F減速機配37KW電機參數
| 型號 | 減速比 | 功率 | 重量 | 力矩 |
| R147F-Y37KW | 66.99 | 37kw | 650kg | 35000N |
| R147F-Y37KW | 61.09 | 37kw | 650kg | 54200N |
| R147F-Y37KW | 52.87 | 37kw | 650kg | 63200N |
| R147F-Y37KW | 46.65 | 37kw | 650kg | 65900N |
| R147F-Y37KW | 40.29 | 37kw | 650kg | 68200N |
| R147F-Y37KW | 35.64 | 37kw | 650kg | 69700N |
| R147F-Y37KW | 29.95 | 37kw | 650kg | 71100N |
| R147F-Y37KW | 24.19 | 37kw | 650kg | 72400N |
| R147F-Y37KW | 20.44 | 37kw | 650kg | 73000N |
| R147F-Y37KW | 18.04 | 37kw | 650kg | 73400N |
| R147F-Y37KW | 15.64 | 37kw | 650kg | 73700N |
| R147F-Y37KW | 13.91 | 37kw | 650kg | 73900N |
R147F減速機配45KW電機參數
| 型號 | 減速比 | 功率 | 重量 | 力矩 |
| R147F-Y45KW | 52.87 | 45kw | 670kg | 45800N |
| R147F-Y45KW | 46.65 | 45kw | 670kg | 61500N |
| R147F-Y45KW | 40.29 | 45kw | 670kg | 65100N |
| R147F-Y45KW | 35.64 | 45kw | 670kg | 67300N |
| R147F-Y45KW | 29.95 | 45kw | 670kg | 69500N |
| R147F-Y45KW | 24.19 | 45kw | 670kg | 71300N |
| R147F-Y45KW | 20.44 | 45kw | 670kg | 72300N |
| R147F-Y45KW | 18.04 | 45kw | 670kg | 72800N |
| R147F-Y45KW | 15.64 | 45kw | 670kg | 73200N |
| R147F-Y45KW | 13.91 | 45kw | 670kg | 73500N |
| R147F-Y45KW | 11.99 | 45kw | 670kg | 73800N |
| R147F-Y45KW | 7.25 | 45kw | 670kg | 74300N |
R147F減速機配55KW電機參數
| 型號 | 減速比 | 功率 | 重量 | 力矩 |
| R147F-Y55KW | 46.65 | 55kw | 790kg | 26700N |
| R147F-Y55KW | 40.29 | 55kw | 790kg | 58200N |
| R147F-Y55KW | 35.64 | 55kw | 790kg | 63300N |
| R147F-Y55KW | 29.95 | 55kw | 790kg | 66800N |
| R147F-Y55KW | 24.19 | 55kw | 790kg | 69600N |
| R147F-Y55KW | 20.44 | 55kw | 790kg | 71100N |
| R147F-Y55KW | 18.04 | 55kw | 790kg | 71900N |
| R147F-Y55KW | 15.64 | 55kw | 790kg | 72500N |
| R147F-Y55KW | 13.91 | 55kw | 790kg | 73000N |
| R147F-Y55KW | 11.99 | 55kw | 790kg | 73400N |
| R147F-Y55KW | 9.74 | 55kw | 790kg | 73800N |
| R147F-Y55KW | 7.25 | 55kw | 790kg | 74200N |
| R147F-Y55KW | 5.89 | 55kw | 790kg | 72500N |
R147F減速機配75KW電機參數
| 型號 | 減速比 | 功率 | 重量 | 力矩 |
| R147F-Y75KW | 20.44 | 75kw | 850kg | 67900N |
| R147F-Y75KW | 18.04 | 75kw | 850kg | 69500N |
| R147F-Y75KW | 15.64 | 75kw | 850kg | 70800N |
| R147F-Y75KW | 13.91 | 75kw | 850kg | 71600N |
| R147F-Y75KW | 11.99 | 75kw | 850kg | 72400N |
| R147F-Y75KW | 9.74 | 75kw | 850kg | 73100N |
| R147F-Y75KW | 8.26 | 75kw | 850kg | 73500N |
| R147F-Y75KW | 7.25 | 75kw | 850kg | 73100N |
| R147F-Y75KW | 5.89 | 75kw | 850kg | 70100N |
| R147F-Y75KW | 5 | 75kw | 850kg | 67600N |
R147F減速機配90KW電機參數
| 型號 | 減速比 | 功率 | 重量 | 力矩 |
| R147F-Y90KW | 15.64 | 90kw | 930kg | 69000N |
| R147F-Y90KW | 13.91 | 90kw | 930kg | 70200N |
| R147F-Y90KW | 11.99 | 90kw | 930kg | 71400N |
| R147F-Y90KW | 9.74 | 90kw | 930kg | 72500N |
| R147F-Y90KW | 8.26 | 90kw | 930kg | 73000N |
| R147F-Y90KW | 7.25 | 90kw | 930kg | 70900N |
| R147F-Y90KW | 5.89 | 90kw | 930kg | 68300N |
| R147F-Y90KW | 5 | 90kw | 930kg | 66100N |
R148減速機生產工廠展示:看廠請聯系微信13827261050,獲取位置,需提前一天預約
推薦類似型號:R138減速機
關鍵詞:同向減速機臥式配電機一體式_R系列減速電機_R系列減速機_R系列減速器_同向減速器_GR型減速機_R向減速機_R系列斜齒輪減速機_GR系列減速機_R型減速機_GR系列斜齒輪減速機
R系列減速機型號:R18減速機,R28減速機,R38減速機,R48減速機,R58減速機,R68減速機,R78減速機,R88減速機,R98減速機,R108減速機,R138減速機,R148減速機,R168減速機
R系列齒輪減速馬達可配變頻電機,剎車電機,防爆電機,伺服電機,交流電機,直流電機,三相電機,單相電機 0.12KW-132KW之間
如需工程師幫選型,請加微信13827261050,留言告知工程師參數要求
標簽:  R148減速機 R147臥式硬齒面斜齒輪減速機 R147系列減速機 R147減速機傳動比 R147減速機選型參數 R147減速機CAD三維圖
